
烤漆款

不锈钢款

触屏款
1、产品简介
本公司的灼热丝试验机根据IEC60695-2-10:2013、GB/T5169.10-2006、GB/T5169.13-2006 和GB4706.1 标准中“灼热丝试验方法”的要求设计制造,电工电子设备的零件由于电的作用可能暴露于过热应力中,而且其劣化可能会降低设备的安全性能。这些零件不应过度地受设备内部产生的热和火的影响。在设备内部容易使火焰蔓延的绝缘材料或其他固体可燃材料的零件可能会由于灼热丝或灼热元件而起燃。在一定条件下,例如流过导线的故障电流、元件过载以及不良接触的灼热元件而起燃。灼热丝试验机就是模拟在故障或过载条件下,灼热元件或过载电阻之类的热源或起火源在短时间内所造成的热应力,用以评定产品的着火危险性。适用于电工电子产品、家用电器及其材料进行着火危险试验,模拟灼热元件或过载电阻之类的热源或点火源在短时间所造成的热应力。灼热丝试验机的箱体有镜面不锈钢和米白色烤漆两种,观察窗口大,以便客户自由选择所需类型;高精度数显仪表,准确记录试验相应参数,外形美观;集多项国内外同类产品的优点,性能稳定,操作方便。适用于各级质检部门和相关企业进行耐燃试验使用
2、主要技术参数及功能
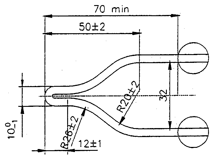
灼热丝探头尺寸请参见下图:

1. 工作电源:AC220V,50Hz,≤500W;
2. 加热温度:500-1000°≤范围内连续可调,测温精度±1°C;
3. 灼热时间Ta:0.1-999.9s,±0.1S(时间范围可调);
4. 起燃时间Ti:0.1-999.9s,自动记录,手动暂停;
5. 火焰熄灭时间Te:0.1-999.9s,自动记录,手动暂停;
6. 灼热丝对试样压力:0.95±0.1N.(配砝码), 限压深度为7mm;
7. 灼热丝顶部接近和离开试验的速度:约13mm/s;
8. 灼热丝为φ4 镍(80%) 铬(20%) (易耗品,不在质保范围内);
9. 热电偶:φ1 铠装镍铬/镍铝丝,K 分度(对地绝缘)(易耗品,不在质保范围内);;
10. 当银箔开始熔化时,温控表显示为960±10℃;
11. 自动脱离:试样达到规定灼热时间后,自动脱离灼热丝;
12. 试验箱: 0.5立方米(可定制其他尺寸),燃烧箱与控制箱在同一箱体。
外形尺寸(长x宽x高):105 cm x65cm x 130cm(烤漆);
外形尺寸(长x宽x高):105 cm x65cm x 135cm(不锈钢);
13.配不锈钢接物盘一个、绢纸1张、松木板一件。
14. 计时器及温控表采用高精度数显仪表,计量准确。
本公司的灼热丝试验机根据IEC60695-2-10:2013、GB/T5169.10-2006、GB/T5169.13-2006 和GB4706.1 标准中“灼热丝试验方法”的要求设计制造,电工电子设备的零件由于电的作用可能暴露于过热应力中,而且其劣化可能会降低设备的安全性能。这些零件不应过度地受设备内部产生的热和火的影响。在设备内部容易使火焰蔓延的绝缘材料或其他固体可燃材料的零件可能会由于灼热丝或灼热元件而起燃。在一定条件下,例如流过导线的故障电流、元件过载以及不良接触的灼热元件而起燃。灼热丝试验机就是模拟在故障或过载条件下,灼热元件或过载电阻之类的热源或起火源在短时间内所造成的热应力,用以评定产品的着火危险性。适用于电工电子产品、家用电器及其材料进行着火危险试验,模拟灼热元件或过载电阻之类的热源或点火源在短时间所造成的热应力。灼热丝试验机的箱体有镜面不锈钢和米白色烤漆两种,观察窗口大,以便客户自由选择所需类型;高精度数显仪表,准确记录试验相应参数,外形美观;集多项国内外同类产品的优点,性能稳定,操作方便。适用于各级质检部门和相关企业进行耐燃试验使用
2、主要技术参数及功能
灼热丝探头尺寸请参见下图:

1. 工作电源:AC220V,50Hz,≤500W;
2. 加热温度:500-1000°≤范围内连续可调,测温精度±1°C;
3. 灼热时间Ta:0.1-999.9s,±0.1S(时间范围可调);
4. 起燃时间Ti:0.1-999.9s,自动记录,手动暂停;
5. 火焰熄灭时间Te:0.1-999.9s,自动记录,手动暂停;
6. 灼热丝对试样压力:0.95±0.1N.(配砝码), 限压深度为7mm;
7. 灼热丝顶部接近和离开试验的速度:约13mm/s;
8. 灼热丝为φ4 镍(80%) 铬(20%) (易耗品,不在质保范围内);
9. 热电偶:φ1 铠装镍铬/镍铝丝,K 分度(对地绝缘)(易耗品,不在质保范围内);;
10. 当银箔开始熔化时,温控表显示为960±10℃;
11. 自动脱离:试样达到规定灼热时间后,自动脱离灼热丝;
12. 试验箱: 0.5立方米(可定制其他尺寸),燃烧箱与控制箱在同一箱体。
外形尺寸(长x宽x高):105 cm x65cm x 130cm(烤漆);
外形尺寸(长x宽x高):105 cm x65cm x 135cm(不锈钢);
13.配不锈钢接物盘一个、绢纸1张、松木板一件。
14. 计时器及温控表采用高精度数显仪表,计量准确。